فن سانتریفیوژ 25 سانت دوطرفه فوروارد دمنده BEF-25/25G4S
فن یا در واقع هواکش صنعتی باید بتواند هوای آلوده را از محیط خارج کند و هم هوای سالم و تمیز را به داخل هدایت نماید تا برای کارکنان و افراد حاضر در محیط فضای سالمی را فراهم سازد. هواکش صنعتی دستگاهی است که برای ایجاد یک فضای مناسب یا حتی نگه داشتن یک جو ثابت در کارگاه ها یا ساختمانهای صنعتی استفاده میشود. هواکش صنعتی در هر نوعی کمک می کنند جریان هوا ثابت و یکنواخت شود و حتی می توانند گازها یا آلودگی های صنعتی را که به واسطه سایر فرآیندهای صنعتی تولید شده اند پاکسازی کنند و هوای اطراف تان را مطبوع نمایند. هواکش سانتریفیوژ پر کاربردترین سیستم تهویه در مکان های عمومی مانند: ادارات، بیمارستان ها و ... است. شرکت دمنده یکی از تولید کنندگان با سابقه و با کیفیت فن در ایران است و تنوع محصولات زیادی در بخش های خانگی، صنعتی و تاسیساتی دارد که همین امر باعث پیشتاز بودن این شرکت در بخش صنعت تهویه ایران شده است.
انتخاب هواکش بسیار اهمیت دارد و در وهله اول باید مشخص کنید که این هواکش از نوع سانتریفیوژ را برای چه مکانی می خواهید. هواکش سانترفیوژ با پروانه های انحنای رو به جلو در مقایسه با پروانه های انحنا رو به عقب فشار بیشتری را تولید می کنند راندمان پایین تری دارند. این فن ها اغلب برای تهویه، سیرکولاسیون کوره ها و دیگر تجهیزات که در آنها سرعت کم برای جلوگیری از لرزش مطلوب است در اندازه های کوچک و متوسط ساخته می شوند.
سانتریفیوژ فوروارد را معمولا در هوا یا گاز تمیز استفاده می نمایند، زیرا در غیر اینصورت این نوع از پروانه ها بعد از مدتی آلوده شده و ممکن است پروانه از حالت بالانس خارج شود.
فن سانتریفیوژ 25 سانت دو طرفه فوروارد دمنده بسیار قدرتمند بوده جنس بدنه و پروانه این هواکش دمنده از گالوانیزه است که در برابر زنگ زدگی مقاوم میباشد.
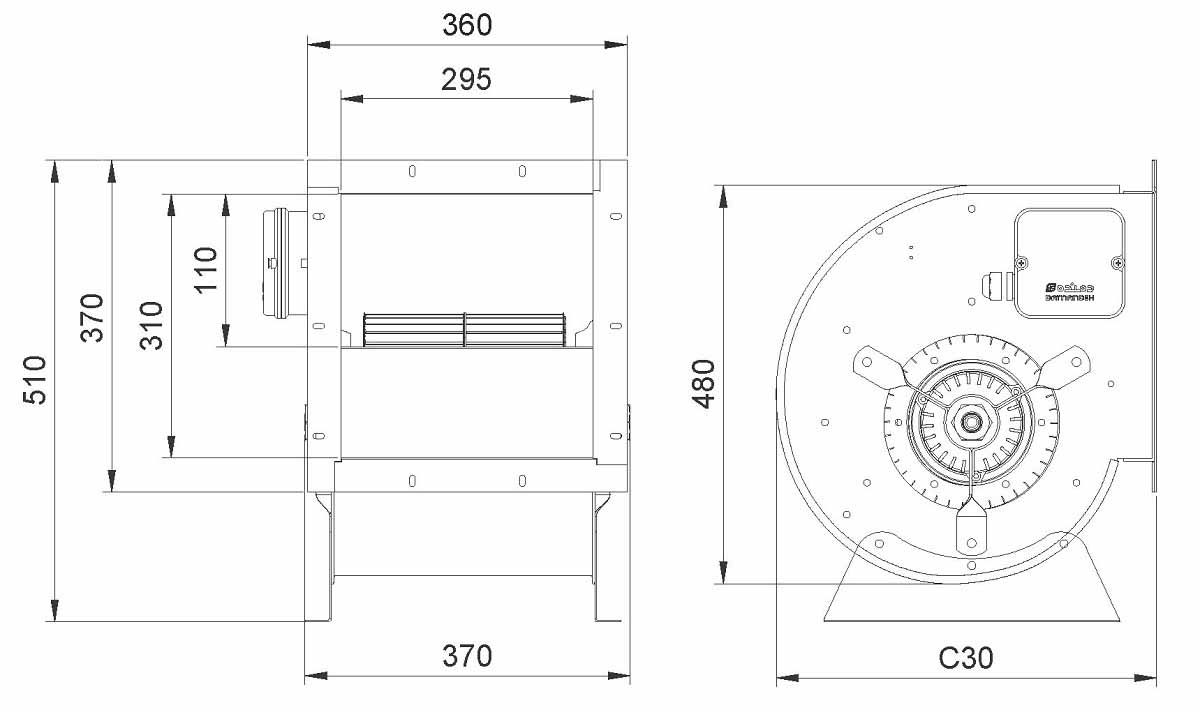
وزن آن 16.5 کیلوگرم است و دارای قطر پروانه 25 سانتی متری بوده و ولتاژ آن تک فاز 220 ولت است. شدت جریان این سانتریفیوژ 3.75 آمپر و توانی معادل 780 وات دارد. دور موتور این دستگاه 1380 دور در دقیقه بوده و رنج هوادهی آن 2400مترمکعب بر ساعت است.

مشخصات فنی
مشخصات
-
قطر پروانه (سانتی متر)
-
25
-
ولتاژ
-
تک فاز 220 ولت
-
جریان (آمپر)
-
3.75
-
توان (وات)
-
7800
-
دور در دقیقه (rpm)
-
1380
-
هوادهی (متر مکعب بر ساعت)
-
2400
-
وزن (کیلوگرم)
-
16.5
-
صدا (دسیبل)
-
64
-
ابعاد (سانتی متر)
-
51x43x36
-
ابعاد محل نصب (سانتی متر)
-
37.2
-
جنس بدنه
-
فولادی گالوانیزه
-
جنس پروانه
-
فولادی گالوانیزه
-
محل نصب
-
نصب به کانال
-
درجه حفاظت (IP)
-
54
-
کلاس عایق
-
B
-
مناسب برای
-
نصب در هواسازها و سیستم های تهویه مطبوع
نظرت در مورد این محصول چیه؟
برای ثبت نظر، از طریق دکمه افزودن دیدگاه جدید نمایید. اگر این محصول را قبلا خریده باشید، نظر شما به عنوان خریدار ثبت خواهد شد.